DIN modul ZELIO 230 V - řízení BESGO ventilu
DIN modul
Základní informace
- Balení obsahuje DIN modul ZELIO, který je určen buď k samostatnému použití pro řízení BESGO ventilů, nebo k integraci do systému řízení bazénů VArio.
- Po připojení k systému VArio probíhá komunikace obdobně jako v případě automatických 6cestných ventilů OMNITRONIC nebo AQUASTAR.
- Modul ZELIO je kompatibilní s VArio moduly PUMPS a SWITCH od verze 1.3 (516302 / 516303 a vyšší).
Funkce
- Modul ZELIO umožňuje samostatně ovládat BESGO ventily s možností nastavení pracích časů a četnosti (periody) praní filtru, včetně ovládání filtračního čerpadla a kompresoru.
- Po připojení k systému VArio (k PUMPS nebo SWITCH modulu) systém přijme požadavek na praní filtru z modulu ZELIO, upraví chod čerpadla požadavku na praní filtru a bude signalizovat probíhající praní filtru stejně, jako by byl připojen ventil OMNITRONIC nebo AQUASTAR.
Technické informace
- Materiál: ABS nylon, samozhášivý
- Index krytí: IP20
- Napájení: 100–240 V AC
- Vstupy: 8x diskrétní napěťový 100–240 VAC
- Výstupy: 4x reléový, 5–30 VDC / 100–240 VAC, 8 A
Popis funkčních částí DIN modulu ZELIO

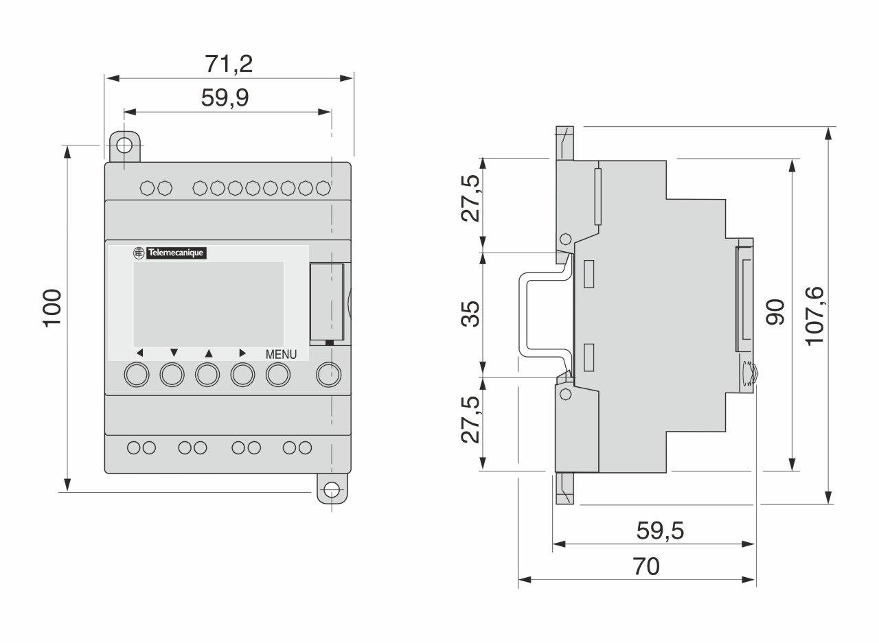
Rozměry DIN modulu ZELIO

| Typ produktu: | DIN modul |
|---|
DIN modul ZELIO 230 V - řízení BESGO ventilu
516Z00
BESGO
0.25 kg
1-2 Ks
Do 3 dnů
Katalogová cena 11.520 Kč
K stažení